|
Есть вопросы? Наши квалифицированные специалисты готовы проконсультировать вас. Пишите свои вопросы или отправляйте заявку на нашу почту: gt@gigaterm.ru |
Задать вопрос
|
Доставка - по тарифу ТК
|
Наименование основных технических характеристик |
Диаметр расходомера |
|||||||||
|
Ду15 |
Ду25 |
Ду32 |
Ду40 |
Ду50 |
Ду80 |
Ду100 |
Ду150 |
Ду200 |
||
|
Минимальный расход, Qmin, м3/ч |
0.015 |
0,035 |
0,05 |
0,1 |
0,15 |
0,35 |
0,6 |
1,2 |
2,5 |
|
|
Переходный расход, Qt1, м3/ч |
0,03 |
0,09 |
0,15 |
0,2 |
0,3 |
0,9 |
1,4 |
3,2 |
5,7 |
|
|
Переходный расход, Qt2, м3/ч |
0,06 |
0,17 |
0,3 |
0,45 |
0,7 |
1,8 |
2,8 |
6,5 |
11,3 |
|
|
Максимальный расход, Qmax, м3/ч |
6,5 |
18 |
30 |
45 |
70 |
180 |
285 |
635 |
1130 |
|
|
Цена одного импульса, л/имп |
1 |
10 |
100 |
1000 |
1000 |
|||||
|
Максимальное значение ЖК индикатора, м3 |
999 999,99 |
9 999 999,9 |
99 999 999 |
|||||||
|
Наименьшая цена деления, м3 |
0,01 |
0,1 |
1 |
|||||||
|
Присоединение к трубопроводу |
фланцевое |
|||||||||
|
Масса, не менее |
7 кг. |
8 кг. |
10 кг. |
11 кг. |
12 кг. |
17 кг. |
24 кг. |
50 кг. |
70 кг. |
|
|
Межповерочный интервал |
5 лет |
|||||||||
|
Средний срок службы |
12 лет |
|||||||||
|
Гарантийный срок |
12 месяцев |
|||||||||
Рассходомер ВСЭ включает в себя блок питания, функцию реверса, интерфейс RS485, пластины заземления и болты к ним, индикацию - 2 светодиода (ВСЭ-БИ, t +5...+150 ?С) или индикацию - ЖК -индикатор (ВСЭ-И, t +5...+70 ?С)
Пределы допускаемой относительной погрешности счетчиков:
- +/- 5% - в диапазоне от Qmin до Qt1;
- +/- 2% - в диапазоне от Qt1 до Qt2;
- +/- 1% - в диапазоне от Qt2 до Qmax.
Опторазвязанные выходные сигналы расходомера - счетчика - число импульсный код, формируемый выходным каскадом типа «открытый коллектор» с параметрами:
- максимальное напряжение: 50В
- максимальный ток: 100мА
- скважность импульсов: 2
- частота импульсов, Гц, не более: 30
- выход контроля напряжения питания: 16В
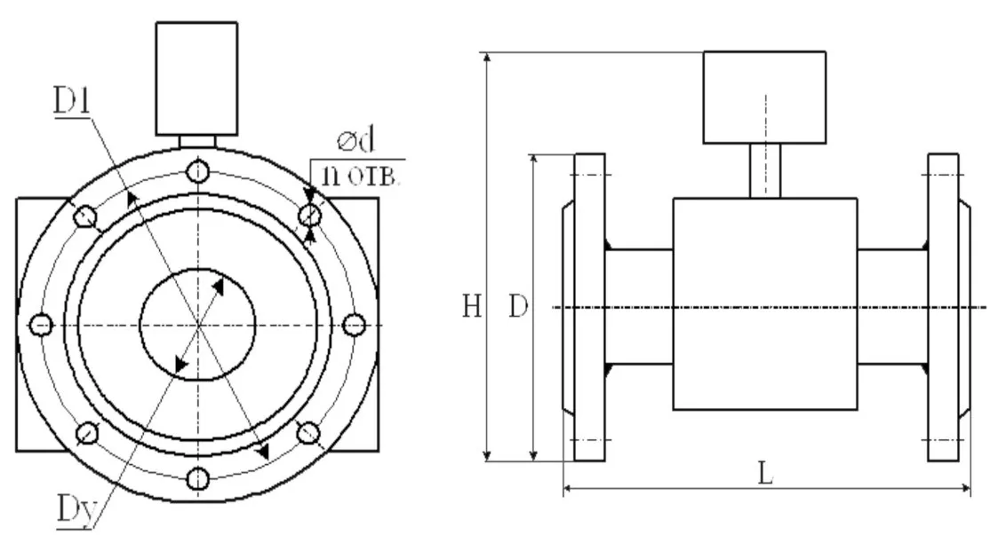
ГАБАРИТНЫЕ РАЗМЕРЫ

|
Габаритные размеры, мм, не более |
|||||||||
|
DN |
15 |
25 |
32 |
40 |
50 |
80 |
100 |
150 |
200 |
|
D |
95 |
115 |
135 |
145 |
160 |
195 |
230 |
300 |
360 |
|
D1 |
65 |
85 |
100 |
110 |
125 |
160 |
190 |
250 |
310 |
|
L ±5 |
155 |
155 |
185 |
185 |
200 |
230 |
250 |
320 |
350 |
|
d |
14 |
14 |
18 |
18 |
18 |
18 |
22 |
26 |
26 |
|
H |
261 |
281 |
294 |
306 |
316 |
350 |
381 |
436 |
501 |
Купить расходомеры ВСЭ по цене производителя
Электромагнитные расходомеры ВСЭ предназначены для измерения объема и расхода воды. Имеют импульсный выход для работы в системе теплосчетчика СТ-10 и цифровой интерфейс RS485, позволяющие использовать расходомер в системах обработки данных.
Расходомеры воды ВСЭ работают на основе принципа взаимодействия протекающей по ним жидкости с магнитным полем. Жидкость проходящая через расходомер должна быть электропроводящей.
Расходомеры ВСЭ применяются в узлах коммерческого учета водоснабжения, водяных системах теплоснабжения, в системах сбора данных, автоматического контроля, регулирования и управления технологическими процессами.
Приборы ВСЭ имеют моноблочную конструкцию и выпускаются в двух модификациях и имеют фланцевое соединение с трубопроводом:
- ВСЭ БИ - без индикации
- ВСЭ И - с индикацией (имеет встроенный ЖК дисплей)
Основные особенности
- Применяются для измерения больших и малых объемов жидкостей
- Показания не зависят от параметров жидкости (вязкости, плотности, температуры)
- Широкий диапазон измерений
- Обладают линейной шкалой
- Отсутствием сужений и подвижных элементов
Способ установки
Электромагнитные расходомеры типа: ВСЭ БИ, ВСЭ И - монтируются в любом пространственном положении, с соблюдением условий:
- Счетчик всегда должен быть заполнен водой
- Прямые участки должны составлять 5 DN до прибора и 3 DN после
|
Наименование основных технических характеристик |
Диаметр расходомера |
|||||||||
|
Ду15 |
Ду25 |
Ду32 |
Ду40 |
Ду50 |
Ду80 |
Ду100 |
Ду150 |
Ду200 |
||
|
Минимальный расход, Qmin, м3/ч |
0.015 |
0,035 |
0,05 |
0,1 |
0,15 |
0,35 |
0,6 |
1,2 |
2,5 |
|
|
Переходный расход, Qt1, м3/ч |
0,03 |
0,09 |
0,15 |
0,2 |
0,3 |
0,9 |
1,4 |
3,2 |
5,7 |
|
|
Переходный расход, Qt2, м3/ч |
0,06 |
0,17 |
0,3 |
0,45 |
0,7 |
1,8 |
2,8 |
6,5 |
11,3 |
|
|
Максимальный расход, Qmax, м3/ч |
6,5 |
18 |
30 |
45 |
70 |
180 |
285 |
635 |
1130 |
|
|
Цена одного импульса, л/имп |
1 |
10 |
100 |
1000 |
1000 |
|||||
|
Максимальное значение ЖК индикатора, м3 |
999 999,99 |
9 999 999,9 |
99 999 999 |
|||||||
|
Наименьшая цена деления, м3 |
0,01 |
0,1 |
1 |
|||||||
|
Присоединение к трубопроводу |
фланцевое |
|||||||||
|
Масса, не менее |
7 кг. |
8 кг. |
10 кг. |
11 кг. |
12 кг. |
17 кг. |
24 кг. |
50 кг. |
70 кг. |
|
|
Межповерочный интервал |
5 лет |
|||||||||
|
Средний срок службы |
12 лет |
|||||||||
|
Гарантийный срок |
12 месяцев |
|||||||||
Рассходомер ВСЭ включает в себя блок питания, функцию реверса, интерфейс RS485, пластины заземления и болты к ним, индикацию - 2 светодиода (ВСЭ-БИ, t +5...+150 ?С) или индикацию - ЖК -индикатор (ВСЭ-И, t +5...+70 ?С)
Пределы допускаемой относительной погрешности счетчиков:
- +/- 5% - в диапазоне от Qmin до Qt1;
- +/- 2% - в диапазоне от Qt1 до Qt2;
- +/- 1% - в диапазоне от Qt2 до Qmax.
Опторазвязанные выходные сигналы расходомера - счетчика - число импульсный код, формируемый выходным каскадом типа «открытый коллектор» с параметрами:
- максимальное напряжение: 50В
- максимальный ток: 100мА
- скважность импульсов: 2
- частота импульсов, Гц, не более: 30
- выход контроля напряжения питания: 16В
ГАБАРИТНЫЕ РАЗМЕРЫ

|
Габаритные размеры, мм, не более |
|||||||||
|
DN |
15 |
25 |
32 |
40 |
50 |
80 |
100 |
150 |
200 |
|
D |
95 |
115 |
135 |
145 |
160 |
195 |
230 |
300 |
360 |
|
D1 |
65 |
85 |
100 |
110 |
125 |
160 |
190 |
250 |
310 |
|
L ±5 |
155 |
155 |
185 |
185 |
200 |
230 |
250 |
320 |
350 |
|
d |
14 |
14 |
18 |
18 |
18 |
18 |
22 |
26 |
26 |
|
H |
261 |
281 |
294 |
306 |
316 |
350 |
381 |
436 |
501 |

