|
Есть вопросы? Наши квалифицированные специалисты готовы проконсультировать вас. Пишите свои вопросы или отправляйте заявку на нашу почту: gt@gigaterm.ru |
Задать вопрос
|
Цена:
Цена по запросу
Нашли дешевле?
Самовывоз - бесплатно
Доставка - по тарифу ТК
Доставка - по тарифу ТК
Характеристики
Характеристики
—
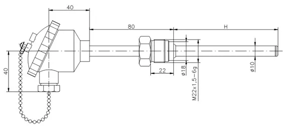
Технические характеристики термопары "ТД729"
- Корпус термопары: 12Х18Н10Т (до 800С), 10Х23Н18 (до 1000С), 15Х25Т (до 1200С).
- Диаметр корпуса: 10 мм.
- Длина погружной части: 80, 100, 120, 160, 200, 250, 320, 400, 500, 630, 800, 1000, 1250, 1500, 2000 мм.
- Штуцер: М20х1,5, М22х1,5, М27х2 (по заказу G1/2).
- Материал головки: алюминиевый сплав
Предназначена для измерения температуры жидких, газообразных и твердых тел в диапазоне от -150 до +1200°С. При длине погружной части менее 80 мм диапазон измерения от -70 до +350°С.
- ТУ 4211-010-12023213-2007
- Внесены в Государственный реестр средств измерений под № 38468-08
- Номинальная статическая характеристика ТХА (К) и ТХК (L) по ГОСТ Р 8.585-2001.
- Класс допуска по ГОСТ 6616 94: 2 или 3.
Пример для записи при заказе: ТД729-d10-H250-М20-ХА (-150…+800⁰С)
- ТД729 - модель преобразователя;
- d10 – диаметр корпуса (мм);
- Н250 - длина погружаемой части в (мм);
- М20 – штуцер М20х1,5;
- ХА - тип НСХ.

Технические характеристики термопары "ТД729"
- Корпус термопары: 12Х18Н10Т (до 800С), 10Х23Н18 (до 1000С), 15Х25Т (до 1200С).
- Диаметр корпуса: 10 мм.
- Длина погружной части: 80, 100, 120, 160, 200, 250, 320, 400, 500, 630, 800, 1000, 1250, 1500, 2000 мм.
- Штуцер: М20х1,5, М22х1,5, М27х2 (по заказу G1/2).
- Материал головки: алюминиевый сплав
Отзывы
Оставить отзыв
Загрузка отзывов...

